Strawa Frischwasserstation Friwara WS-17-FBR-HT-CU-AP-63 7 Heizkreise, im AP-Schrank, PWÜ 17 l/min
W819281
4061323135844
3401090307
auf Anfrage
je 1 STCK
keine Verfügbarkeitsinformationen
Funktionen
Verkaufsdaten
| Mindestbestellmenge | 1 STCK |
| Bestellschritt | 1 STCK |
Beschreibung
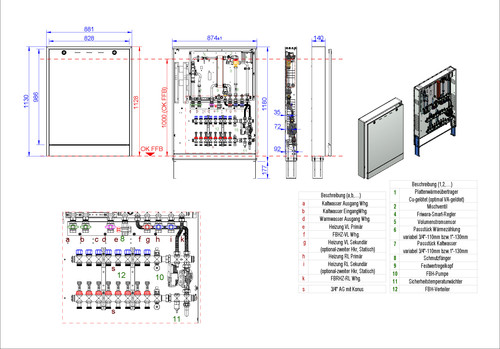
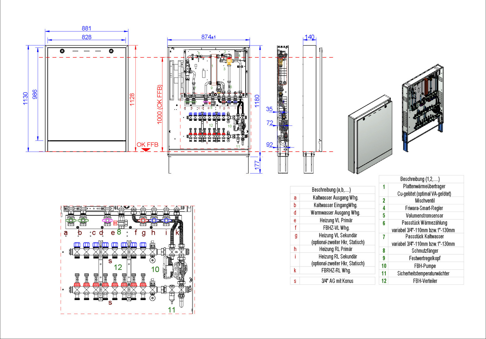
Schrank bestehend aus: Aufputzausführung, aus feuerverzinktem Stahlblech und alle sichtbaren Teile in Weiß RAL 9016, alle Halterungen mit Gummieinlage, Schrank0 bis 6 Hkr. AP-Schrank: AP-Schrank: 732 x 1180 x 140 mm, Schrank7 bis 12 Hkr. AP-Schrank: 882 x 1180 x 140 mm, Anschlussleiste bestehend aus: Kugelhähne DN 20 (Sekundäranschluss 3/4" IG), Anschlussleiste 5-fach: ATWK-ETWK-TWW-PVL-PRL, Anschlussleiste 6-fach mit Zirkulation (Z): ATWK-ETWK-Z-TWW-PVL-PRL, der Vorlauf-Kugelhahn ist zusätzlich mit einem Schmutzfänger ausgerüstet, Anschlüsse 3/4" IG flachdichtend für Heizung und Trinkwasser Frischwassermodul bestehend aus: Heizungsseite: Plattenwärmeübertrager (PWÜ) kupferge-lötet (Cu) oder edelstahlgelötet (VA), Umschaltventil ESBE SLD133 Superflow zur Umschaltung Trinkwasserbereitung oder Standby der Frischwasserstation, Wärmezählerpassstück 3/4" AG flachdichtend (Länge 110 mm), Fühlereinbaustück direktfühlend Ø 5-5,2 mm M10x1 IG (für Fabrikate Ista Sensonic, Allmess V-Lite, Pollux Com E, Techem delta tech, Minol M, Rossweiner, ABB, Entec, Molline), Verrohrungsmaterial Edelstahl 1.4301 (DIN EN 10088), Trinkwasserseite: Rückschlagklappe, Impulsgeber, max. Leistung des Plattenwärmeübertragers: 62 kW oder 87 kW (WS-25) Wasserzählerpassstück 3/4" AG flachdichtend (Länge 110 mm), Verrohrungsmaterial Edelstahl 1.4401 (DIN EN 10088), Zirkulation (optional): mit Pumpe Xylem ecocirc Pro 13-1/940-01 und externer Zeitschaltuhr inkl. Sicherheitsventil und Abblaseleitung, Frischwasserregler: Friwara smart Frischwasserregler, Trinkwarmwassertemperatur einstellbar von 45-60° C, Komfortschaltung für Warmhaltung des Plattenwärmeübertragers, FBR-Regelgruppe: Vorlauffestwerttemperatur über Festwert-regler einstellbar von 20 - 50° C, mit Pumpe Wilo Para 15-130/6-43/SC-12, integriertes Regulierventil am Primär-Rück-lauf für hydraulischen Abgleich, integriertes Rückschlagventil und Sicher-heitstemperaturbegrenzer (STB), Abgänge mit 1" ÜW flachdichtend für An-schluss der Heizkreisverteiler, Heizkreisverteiler: manueller hydraulischer Abgleich über den Durchflussanzeiger: FBH-Anschlussverteiler e-class 63 (mit Regolux Durchflussanzeiger 0-3 l/min und THV-Einsatz mit Anschlussgewinde M30x1,5), Automatischer hydraulischer Abgleich über EGO-System: FBH-Anschlussverteiler e-class 18 (mit Durchflussanzeiger min/max. und THV-Einsatz für EGO-Schnellverschluss) für EGO-System, 2 x flexible Anschlussrohre 1" IG ÜW flachdichtend zur leichten Montage an die FBR-Regel-gruppe des Frischwassermoduls
Merkmale
| Produktklasse | Wohnungsstation |
| Serie | Friwara |
| Breite | 882 mm |
| Höhe | 1180 mm |
| Tiefe | 140 mm |
| Internet Link | https://www.strawa.com/produkt/3401090307 |
| UBA-Positivliste | ja |
| Anschluss Vorlauf | Innengewinde zylindrisch BSPT-Rp (ISO 7-1 / EN 10226-1) |
| Mit Umwälzpumpe | ja |
| Mit Sicherheitsventil | nein |
| Zapfleistung bei 60 °C, Dauerbetrieb | 17 l/min |
| Nenndurchmesser Kaltwasseranschluss | 3/4 Zoll |
| Anschluss Kaltwasser | Innengewinde zylindrisch BSPT-Rp (ISO 7-1 / EN 10226-1) |
| Anschluss Warmwasser | Innengewinde zylindrisch BSPT-Rp (ISO 7-1 / EN 10226-1) |
| Nenndurchmesser Warmwasseranschluss | 3/4 Zoll |
| Anschluss Rücklauf | Innengewinde zylindrisch BSPT-Rp (ISO 7-1 / EN 10226-1) |
| Nenndurchmesser Zufuhr | 3/4 Zoll |
| Nenndurchmesser Rücklauf | 3/4 Zoll |
| Mit Isolierung | nein |
| Material Wärmetauscher | Edelstahl |
| Geeignet für Kühlen | nein |
| Geeignet für Heizung | ja |
| Einstellbereich Temperatur Warmwasser | 45 - 60 °C |
| Hocheffizienzpumpe (konform EC 547/2012 und EC 641/2009) | ja |
| Geeignet für Solarheizung | nein |
| Geeignet für Wärmepumpe | nein |
| Geeignet für Warmwasser | ja |
| Nenndurchmesser Heizung | 3/4 Zoll |
| Wärmetauscher vollversiegelt | nein |
| Mit Wärmezähler | nein |
| Trinkwasserleistung | 60 kW |
| Anschluss Heizungs-Vor-/Rücklauf | Innengewinde zylindrisch BSPT-Rp (ISO 7-1 / EN 10226-1) |
| Mit Zirkulationsanschluss | nein |
| Mit Vorrang für Warmwasser | nein |
| Mit Differenzdruckregler | nein |
| Regler | elektronisch |
| Strömungsmengenregler | ja |
| Zonenventil | nein |
| Geeignet für Fernwärme | nein |
| Geeignet für Blockheizung | nein |
Anhänge
Varianten
Strawa Frischwasserstation Friwara WS-17-FBR-HT-CU-AP-63 2 Heizkreise, im AP-Schrank, PWÜ 17 l/min W819261
keine Verfügbarkeitsinformationen
auf Anfrage
je 1 STCK
|
||
Strawa Frischwasserstation Friwara WS-17-FBR-HT-CU-AP-63 3 Heizkreise, im AP-Schrank, PWÜ 17 l/min W819262
keine Verfügbarkeitsinformationen
auf Anfrage
je 1 STCK
|
||
Strawa Frischwasserstation Friwara WS-17-FBR-HT-CU-AP-63 4 Heizkreise, im AP-Schrank, PWÜ 17 l/min W819263
keine Verfügbarkeitsinformationen
auf Anfrage
je 1 STCK
|
||
Strawa Frischwasserstation Friwara WS-17-FBR-HT-CU-AP-63 5 Heizkreise, im AP-Schrank, PWÜ 17 l/min W819264
keine Verfügbarkeitsinformationen
auf Anfrage
je 1 STCK
|
||
Strawa Frischwasserstation Friwara WS-17-FBR-HT-CU-AP-63 6 Heizkreise, im AP-Schrank, PWÜ 17 l/min W819265
keine Verfügbarkeitsinformationen
auf Anfrage
je 1 STCK
|