Abbildung ähnlich
Helios

Helios Lüftungsgerät KWL 360 W ET, rechts/links, mit WRG

W846653 4010184400622 40062
auf Anfrage
je 1 STCK
keine Verfügbarkeitsinformationen

Folgeartikel

Dieser wird automatisch Ihrem Warenkorb hinzugefügt.

Verkaufsdaten

Mindestbestellmenge 1 STCK
Bestellschritt 1 STCK

Beschreibung

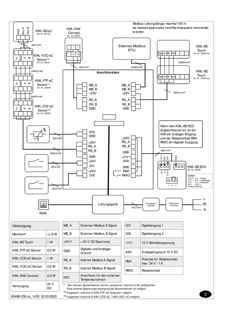
Kompaktgerät mit Wärmerückgewinnung für die Wandmontage. Einsetzbar als zentrale Be- und Entlüftung z.B. von Wohnhäusern und Etagenwohnungen, universelles Gehäuse zur Montage des Außenluftanschlusses wahlweise links oder rechts, Gehäuse aus verzinktem Stahlblech, weiß pulverbeschichtet, Innenkorpus aus EPP, freie Zugänglichkeit der Komponente durch abnehmbare Fronttüre, montagefreundlicher Anschluss von Außen- und Fortluft, sowie Ab- und Zuluft durch Rohre mit DN 160 mm (Zubehör: Verbinder mit Dichtung RVBD 160 K), Kondensatanschluss an der Geräteunterseite, Lieferung erfolgt mit Kugelsiphon, Anschluss bauseitig an Abflussleitung, zwei geräuscharme Hochleistungs-Radialventilatoren mit energiesparenden EC-Motoren für die Ab- und Zuluftführung, Wärmerückgewinnung mittels hocheffizienten, großflächigen Kreuzgegenstrom-Wärmetauscher aus Kunststoff, automatischer Sommerbypass mit Abdeckung des Wärmetauschers, Filterausstattung: serienmäßig ISO Coarse 65% (G4) Filter für Außen- und Ab-luft, optional ist ein ISO ePM1 50% (F7) Feinfilter erhältlich, welcher zusätzlich in das Gerät integriert werden kann, werkzeugloser Filterwechsel möglich, das Gerät ist mit einer modernen Helios easyControls3 Steuerung ausgestattet, Die Bedienung des Gerätes erfolgt wahlweise über ein externes Bedienelement (Zubehör: KWL-BE ECO, -BE Touch bl, -BE Touch wh) oder durch die integrierte LAN-Schnittstelle über PC/Laptop bzw. mobiler Endgeräte, über die Cloud ist eine Bedienung auch von unterwegs möglich, der serienmäßig eingebaute Feuchtesensor sowie weitere optional verfügbaren externen Luftqualitätssensoren (Zubehör: KWL-CO2 Modbus EC3, -FTF Modbus EC3, -VOC Modbus EC3) ermöglichen eine automatische, bedarfsgesteuerte Lüftung, für den Anschluss an Gebäudeleittechnik steht die integrierte Modbus/RTU-Schnittstelle oder ein optionales KNX-Modul (Zubehör: KWL-KNX Connect) zur Verfügung, die Frostschutzüberwachung erfolgt serienmäßig durch die Regelung des Zuluft-Fördervolumens und eine optional in das Gerät integrierbare Elektro-Vorheizung (Zubehör: KWL-EVH 360 W,Art.-Nr. 7360). Elektrischer Anschluss mit Festanschluss, 2mtr. Netzanschlusskabel 3 x 1,5 mm2, max. Volumen: 356 m3/h bei 100 Pa ext. 405 m3/h bei 0 Pa ext., Stromaufnahme 0,5 A (6,8 A inkl.VHZ), Leistung VHZ 1,5 kW (Zubehör), Gerätemaße: 643 x 550 x 932 (L x B x H) mm, Spannung 230 V/50 Hz, Gewicht ca. 72 kg

Varianten

Helios

Helios Lüftungsgerät KWL 360 W, rechts/links, mit WRG W846652

keine Verfügbarkeitsinformationen
auf Anfrage
je 1 STCK
Dimension
360 W, rechts/links
Helios

Helios Lüftungsgerät KWL 360 W ET, rechts/links, mit WRG W846653

keine Verfügbarkeitsinformationen
auf Anfrage
je 1 STCK
Dimension
360 W ET, rechts/links