Abbildung ähnlich
Grundfos

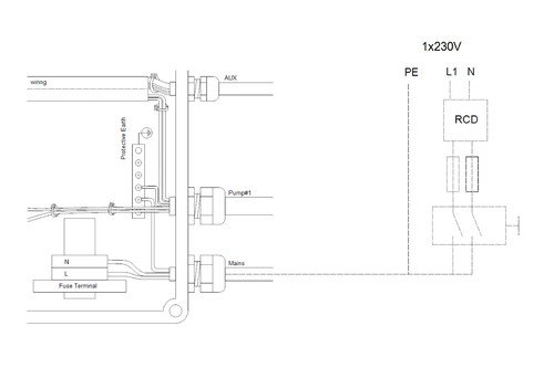
GRUNDFOS Steuer- und Regelsystem LC 241 1x 5,7-12 DOL 1x230 PI OPT

W575395 5713835591012 99877167
auf Anfrage
je 1 STCK
keine Verfügbarkeitsinformationen

Folgeartikel

Dieser wird automatisch Ihrem Warenkorb hinzugefügt.

Verkaufsdaten

Mindestbestellmenge 1 STCK
Bestellschritt 1 STCK

Beschreibung

Merkmale

Produktklasse Pumpensteuerung
Internet Link https://product-selection.grundfos.com/products.gotoproduct.json?productnumber=99877167&custid=GWS
Internet Link https://product-selection.grundfos.com/products.gotoproduct.json?productnumber=99877167&custid=GWS&dtid=OT:IPAPER:vqbmyn&pltrack=portals:GWS:arge:99877167:gpclinkpdp:2025
Werkstoff des Gehäuses Kunststoff
Schutzart (IP) IP54
Nennstrom 5,7 - 12 A
Frequenz 50/60 Hz
Anschlussspannung 230 V
Elektrischer Anschluss Anschlussklemmen
Anzahl der Pumpen 1
Geeignet für Wandmontage ja
Anzahl der Phasen 1
Geeignet für Bodenmontage nein
Spannungsart AC