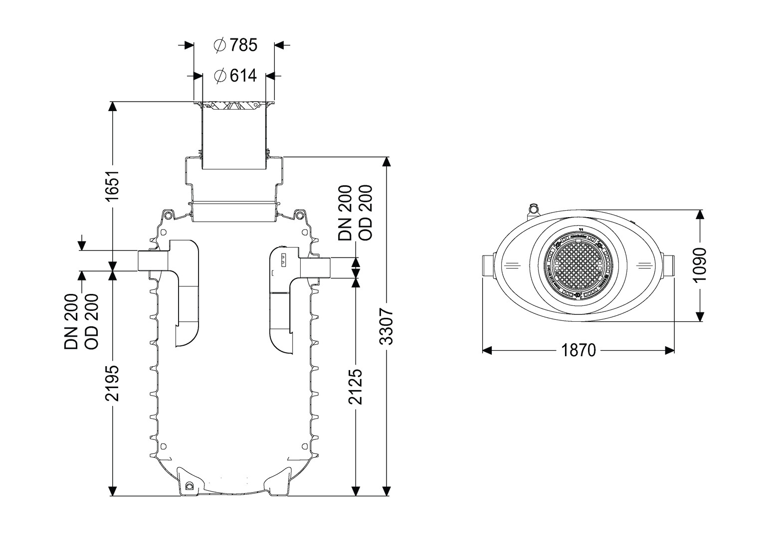
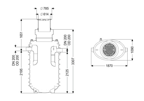
Kessel Fettabscheider EasyClean G Direkt NS 12,5, Einbautiefe 995-1740 mm, oval, Abdeckung Klasse B, Fließrichtung links
W557089
4026092101179
95125-170B-DL
auf Anfrage
je 1 STCK
keine Verfügbarkeitsinformationen
Funktionen
Verkaufsdaten
| Mindestbestellmenge | 1 STCK |
| Bestellschritt | 1 STCK |
Beschreibung
aus Kunststoff, Einbau für frostfreie Tiefe 1700 mm, Grundwasserbeständig bis Geländeoberkante, mit Direktentsorgung, teleskopisch höhenverstellbares Aufsatzstück aus Kunststoff, Abdeckung nach DIN EN 124 aus Guss (PKW-/LKW befahrbar), geruchsdicht verschlossen, Aushebeschlüssel, Anlage komplett montiert, Zubehör Probenahmeeinrichtung, Verlängerungsstück, Pumpstationen, Schichtdicken-Messgerät für Fette SonicControl
Merkmale
| Produktklasse | Abscheider |
| Serie | EasyClean G |
| Länge | 1870 mm |
| Breite | 1090 mm |
| Höhe | 2795 mm |
| Internet Link | https://www.kessel.de/info?han=95125-170B-DL |
| Nenndurchmesser alle Anschlüsse | DN 200 |
| Werkstoff des Deckels | Gusseisen |
| Lagerkapazität Abscheider | 500 l |
| Durchlassfähigkeit | 12,5 l/s |
| Material Tank | Polyethylen (PE) |
| Rohraußendurchmesser alle Anschlüsse | 200 mm |